污泥流量計地線怎么接
點擊次數:2701 發布時間:2021-09-25 02:57:04
污泥流量計接地要求
污泥流量計的接地是非常重要的,若接地不好,無法正常運行,傳感器部分應有良好的單獨接地線(銅芯截面積為 1.6mm2),接地電阻<10Ω 。
1.接地環
若與傳感器連接的管道是絕緣性的,則需用接地環,應選擇其材質和電極的材質一樣,若被測介質是磨損性的,應選擇帶頸接地環。

2.接地方式
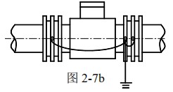
污泥流量計在金屬管道上的安裝,金屬管道內壁沒有絕緣涂層。

污泥流量計在塑料或內壁有絕緣涂料、油漆、內補等管道上安裝時,應在傳感器的兩端安裝接地環。

污泥流量計在陰極保護管道上安裝,防護電解腐蝕的管道一般在其壁和外壁是絕緣的,安裝時注意接地環和管道上的法蘭應絕緣。

上一篇:污廠污泥流量計的常見故障原因分析
下一篇:污泥流量計的規格型號


